9급 국가직 공무원 토목설계 (2020년07월11일 기출문제)
1과목 : 과목 구분 없음
1번
철근콘크리트 휨부재의 강도설계법에 대한 기본적인 요구사항을 옳게 표시한 것은? (단, Mn은 공칭휨강도, Md는 설계휨강도, Mu는 계수휨모멘트, ø는 강도감소계수이며, KDS 14 20 10 및 KDS 14 20 20을 따른다)
2번
그림과 같은 볼트구멍이 있는 강판에 인장력 T가 작용할 때, 순단면적[mm2]은? (단, 볼트구멍의 직경 d=25mm, 강판의 두께 t=10mm이며, KDS 14 31 10을 따른다)

3번
그림과 같은 단철근 철근콘크리트 직사각형 보가 균형변형률 상태에 있을 때, 압축연단에서 중립축까지 거리 c[mm]는? (단, 콘크리트 압축연단의 극한변형률 εcu=0.003, 철근의 설계기준항복강도 fy=400MPa, 철근의 탄성계수 Es=200,000MPa, As는 인장철근 단면적이며, KDS 14 20 20을 따른다)

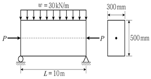
4번
그림과 같은 자중을 포함한 등분포하중 w가 작용하는 단순 지지된 프리스트레스트 콘크리트 보의 경간 중앙에서 단면 하단의 콘크리트 응력을 0이 되게 하는 프리스트레스 힘 P[kN]는? (단, 긴장재는 콘크리트 보의 단면도심에 배치되어 있으며, 콘크리트 보의 단면적은 긴장재를 무시한 총단면적을 사용한다)

5번
필릿용접에 대한 설명으로 옳지 않은 것은? (단, KDS 14 31 25를 따른다)
6번
옹벽의 설계에 대한 설명으로 옳지 않은 것은? (단, KDS 14 20 72 및 KDS 14 20 74를 따른다)
7번
철근콘크리트 기초판 설계에 대한 설명으로 옳지 않은 것은? (단, KDS 14 20 70을 따른다)
8번
1방향 철근콘크리트 슬래브의 수축ㆍ온도철근에 대한 설명으로 옳지 않은 것은? (단, KDS 14 20 50을 따른다)
9번
단순 지지된 철근콘크리트 직사각형 보에 자중을 포함한 계수등분포하중 wu=40kN/m가 작용한다. 콘크리트가 부담하는 공칭전단강도 Vc=160kN일 때, 전단에 대한 위험단면에서 전단설계에 대한 설명으로 옳은 것은? (단, 보의 유효깊이 d=500mm, 보의 받침부 내면 사이의 경간 길이는 8m이며, KDS 14 20 22를 따른다)
10번
그림과 같은 KS F 2408에 규정된 콘크리트의 휨강도시험에서, 재하하중 P=22.5kN일 때 콘크리트 공시체가 BC 구간에서 파괴될 경우, 공시체의 휨강도[MPa]는?

11번
그림과 같은 단철근 철근콘크리트 직사각형 보에서 인장철근의 응력 fs[MPa]는? (단, 콘크리트의 설계기준압축강도 fck=21MPa, 철근의 설계기준항복강도 fy=400MPa, 철근의 탄성계수 Es=200,000MPa, εcu는 콘크리트 압축연단의 극한변형률, εs는 인장철근의 변형률이며, KDS 14 20 20을 따른다)

12번
보통중량콘크리트를 사용한 철근콘크리트 직사각형 보에서 상세한 계산을 하지 않는 경우 콘크리트의 공칭전단강도 Vc[kN]는? (단, 보의 폭 b=400mm, 유효깊이 d=600mm, 콘크리트의 설계기준압축강도 fck=36MPa이며, KDS 14 20 22를 따른다)
13번
철근콘크리트 비횡구속 골조의 압축부재에서 장주효과를 무시할 수 있는 회전반지름 r의 최솟값[mm]은? (단, 압축부재의 유효좌굴길이 klu=3.3m이며, KDS 14 20 20을 따른다)
14번
단철근 철근콘크리트 직사각형 보의 단면이 인장지배단면이고, 극한상태에서 단면에 발생하는 압축력이 1,190kN일 때, 보의 공칭휨강도 Mn[kNㆍm]은? (단, 보의 폭 b=400mm, 유효깊이 d=550mm, 콘크리트의 설계기준압축강도 fck=35MPa이며, KDS 14 20 20을 따른다)
15번
단철근 철근콘크리트 직사각형 보의 폭 b=400mm, 유효깊이 d=400mm, 콘크리트의 설계기준압축강도 fck=24MPa, 철근의 설계기준항복강도 fy=400MPa, 인장철근 단면적 As=2,040mm2일 때, 보의 공칭휨강도 Mn[kNㆍm]은? (단, KDS 14 20 20을 따른다)
16번
단순 지지된 철근콘크리트 직사각형 보에서 자중을 포함한 계수등분포하중 wu=48kN/m가 작용할 때, 전단에 대한 위험단면에서 계수전단력 Vu[kN]는? (단, 보의 유효깊이 d=500mm, 보의 받침부 내면 사이의 경간 길이는 6m이며, KDS 14 20 22를 따른다)
17번
처짐량을 계산해 보지 않아도 되는 경우에 해당하는 단순 지지된 철근콘크리트 보의 최소 두께[mm]는? (단, 보의 길이 l=3.2m, 보통중량콘크리트와 설계기준항복강도 fy=350MPa인 철근을 사용하며, 보는 큰 처짐에 의하여 손상되기 쉬운 칸막이벽이나 기타 구조물을 지지하지 않는 부재이며, KDS 14 20 30을 따른다)
18번
그림과 같은 복철근 철근콘크리트 직사각형 보가 극한상태에서 인장철근과 압축철근이 모두 항복할 때, 압축연단에서 중립축까지 거리 c[mm]는? (단, 철근의 설계기준항복강도 fy=400MPa, 콘크리트의 설계기준압축강도 fck=20MPa, As는 인장철근 단면적, As′은 압축철근 단면적이며, KDS 14 20 20을 따른다)

19번
연속보 형식의 프리스트레스트 콘크리트 교량의 공법에 대한 설명으로 옳지 않은 것은?
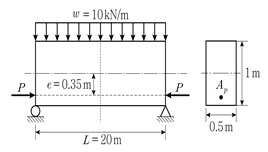
20번
그림과 같은 긴장재를 편심 배치한 프리스트레스트 콘크리트 보에 자중을 포함한 등분포하중 w가 작용한다. 내력개념에 기초하여 해석할 때, 경간 중앙 위치에서 보 단면의 도심과 단면 내 압축력 C의 작용점 사이의 거리 e′[mm] 및 하단 수직응력 fbot[MPa]는? (단, 프리스트레스 힘 P=1,000kN이고, 콘크리트 보의 단면적은 긴장재를 무시한 총단면적을 사용한다)(순서대로 e′, fbot)
